Daewoo Nexia, что сразу нужно сделать после приобретения, ну или почти сразу :)
Везде ставим современные качественные светодиодные лампочки:

Козырьки на двери от дождя

Бескаркасные щётки

ДХО светодиодное (для города) и защитные сеточки радиатора от насекомых и камушков:

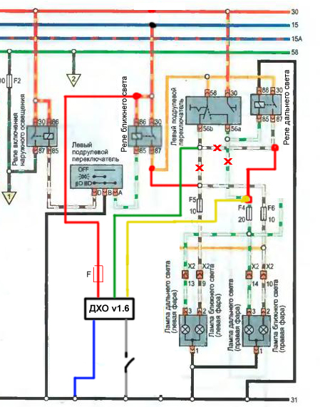
"Разгружаем" переключатели света и подключаем силовые цепи ближнего и дальнего света через контакты реле и подключаем ДХО в 15-30% накала на лампы дальнего света:

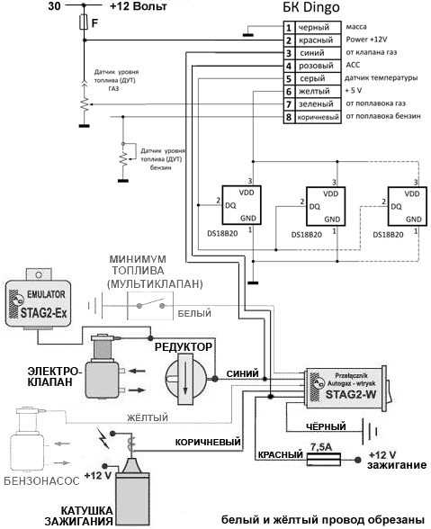
Установка ГБО и мини БК Динго для точных показаний объёма газа в баке
